3학년 1학기 전공/컴퓨터 구조
[컴퓨터 구조] Lecture 13: The Processor - Part2
시데브
2024. 5. 20. 00:17
경희대학교 김정욱 교수님의 컴퓨터 구조 강의 내용을 기반으로 한 정리글
Creating a Single Datapath
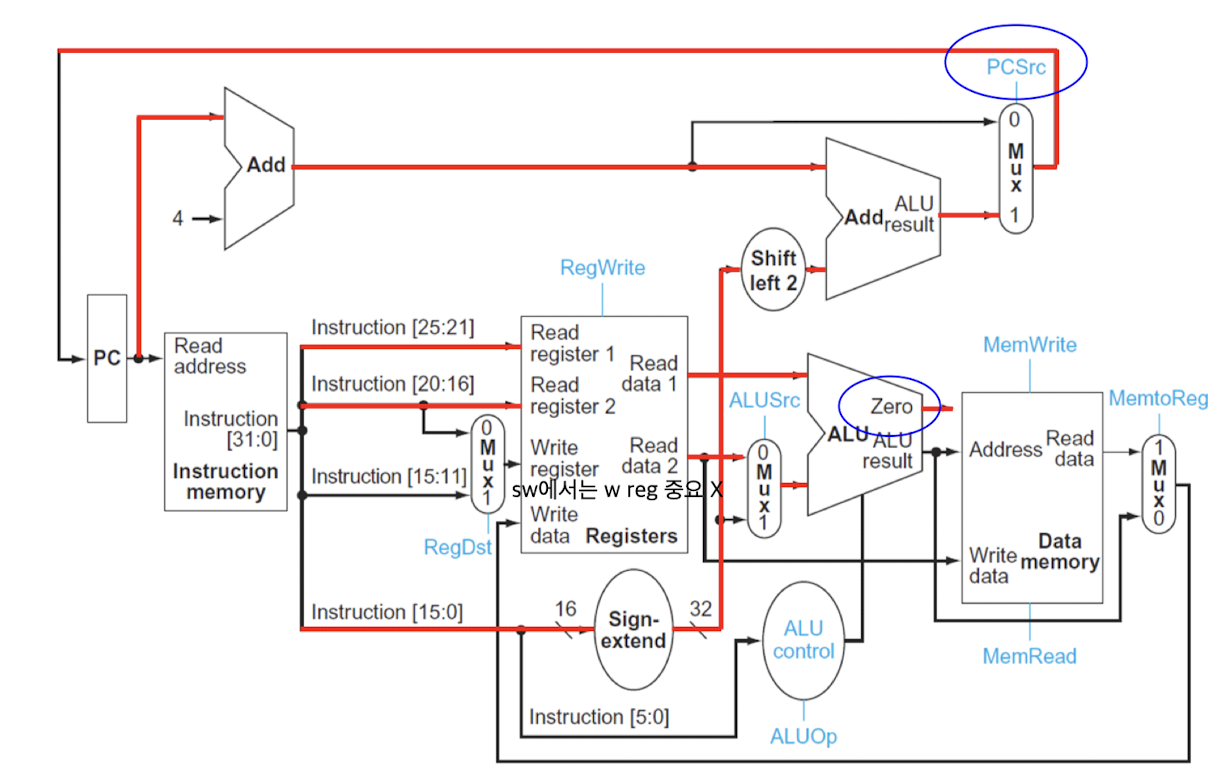
R-format
- ALUOp는 명령어의 "funct" 필드에 의해서 정해진다.


I-format
- R-format과 input이 다르다.


- problem) R format과 달리, [20:16]이 write reg로 쓰임 -> mux 추가를 통해 해결

-> 2에서 read reg2에 t0값이 들어가도, mux를 통해 걸러내기 때문에 괜찮다.
-> lw, sw에서는 먹스의 윗 값을 받아들임


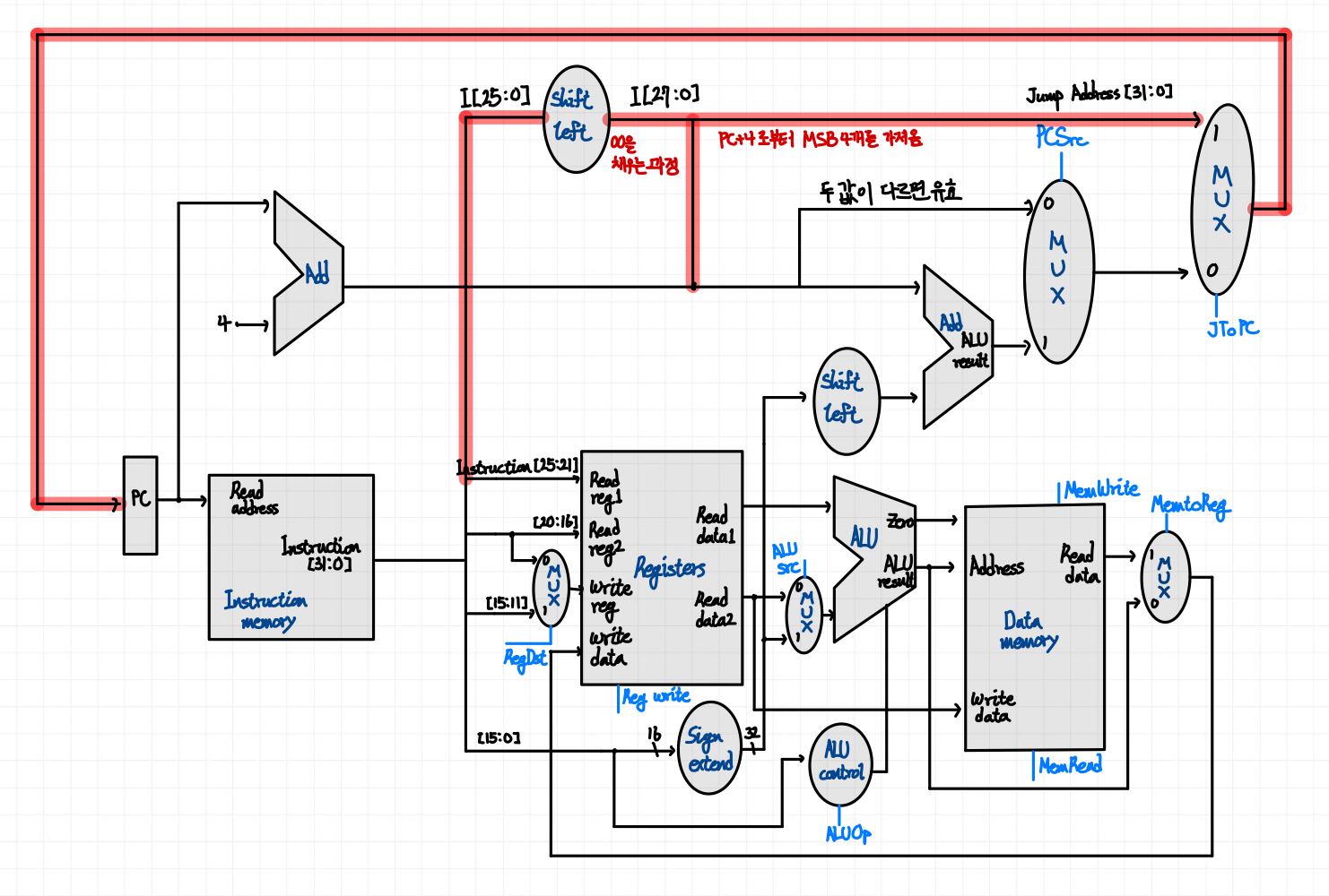
Addressing in Branches and Jumps
- Target Address = (PC + 4) + Offset * 4

- beq $s0, $s0, branch_location

J-format Data path


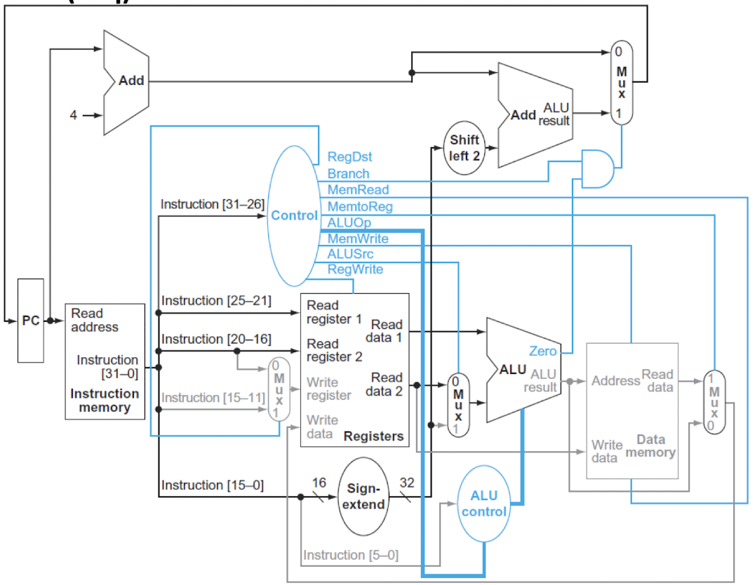
A Simple Implementation Scheme
ALU Control
- ALUOp (2-bits) + "funct" (function field) (6-bits)
- ALU Control은 instructions의 type에 의해 결정됨

- lw, sw: 00 -> ALU control input: 0010 - Add address
- Branch Equal: 01 -> ALU control input: 0110 - Compare reg 1 & 2(subtract)
- R-type: 10

Designing the Main Control Unit
R-format
- RegDst(1): R-foramt이므로
- RegWrite(1): 연산을 수행한 결과를 Dst 레지스터에 쓰므로

I-format(lw)
- RegWrite(1): dst 레지스터에 쓰므로
- ALUSrc(1): Instruction의 const/address를 더하므로
- MemtoReg(1): Data memory로 부터의 데이터를 저장하므로
- MemRead(1): Data memory의 데이터를 읽으므로

I-format(sw)
- ALUSrc(1): Instruction의 const/address를 더하므로
- MemWrite(1): Data memory의 데이터에 쓰므로

I-format(beq)
- Branch(1): PCSrc + Zero signal이 결합 -> zero를 만족(1), PCSrc(1)


-> zero와 Branch가 And Gate로 연결됨
J-format(jump)
- signal이 별도로 존재


728x90
반응형