3학년 1학기 전공/컴퓨터 구조
[컴퓨터 구조] Lecture 16: The Processor - Part5
시데브
2024. 5. 31. 17:07
경희대학교 김정욱 교수님의 컴퓨터 구조 강의 내용을 기반으로 한 정리글
Control Hazard(Branch Hazard)
- Branch를 수행할 때 발생할 수 있음,
- MEM/WB의 결과값은 branch or PC+4

Five Solution Candidates
1. Stall -> branch direction이 확실해지기 전까지
- pipelining의 의미가 사라짐
2. Branch not taken(branch하지 않을 것이라) 예측
- 계산된 PC+4를 사용해서 다음 명령어로
- 평균적으로 47% MIPS branch가 not taken
- 그러나, taken인 경우 -> PC+4 instruction은 버려짐
3. taken이라 예측
- branch address의 명령어 선택
- 평균적으로 53% 맞음
4. 두 경로로 모두 실행
- CPU 2개 사용하여 2개의 경로 모두 실행
- not taken, taken
- 자원의 한계 문제 발생
5. Delay of branches

-> reordering
- branch의 결과가 나올 때까지 delay -> nop 삽입하는 방식으로
- nop 삽입할 자리에 useful한 instruction을 삽입하자 -> delay slot scheduling
- branch의 결과가 나올때까지(3cycle) -> branch의 결과와 관계 없는 명령어들을 수행함
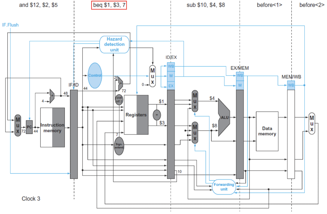
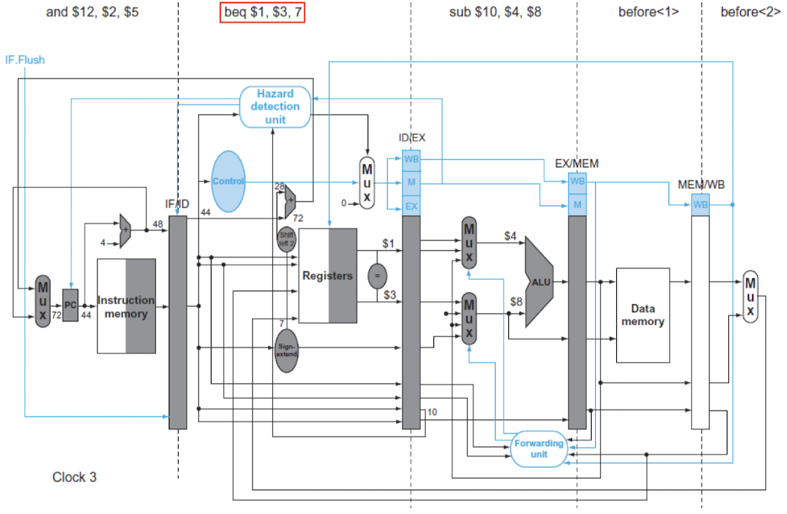
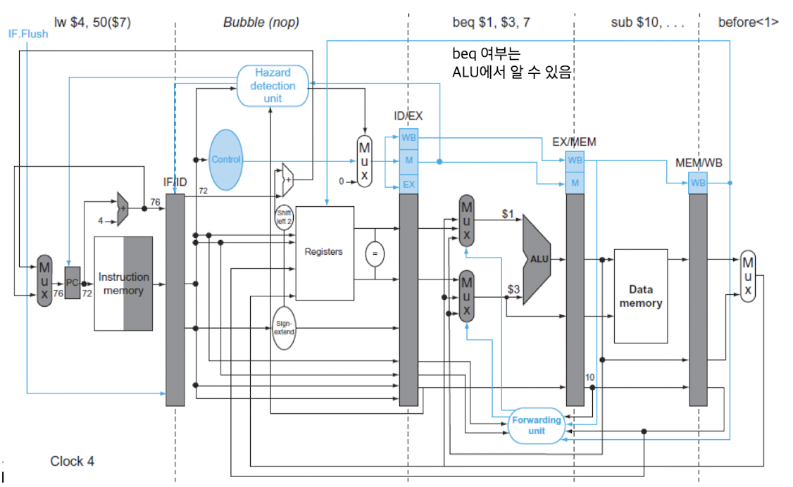
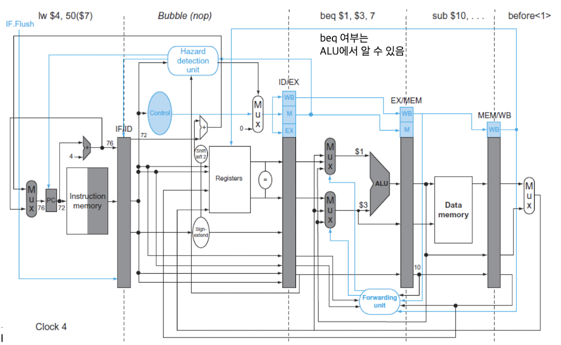
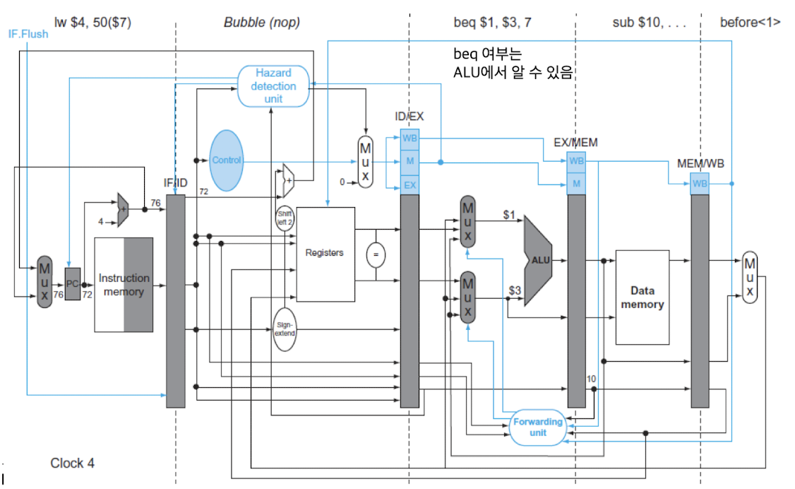
Control Hazards Example



Dynamic Branch Prediction
- Branch prediction buffer -> 최근의 브랜치 명령어 주소를 index
- 해당 브랜치 명령어 결과(taken/not taken) 버퍼에 저장
- 브랜치를 실행할 때, 해당 정보를 이용하여 같은 결과가 나올 것이라 예측하고 실행
- advantage: branch prediction buffer는 작은 memory이다.

Branch prediction buffer(1-bit)
- 이전 결과를 저장 - branch taken(1), branch not taken(0)
- Nested Loop 구조에서 Inner loop를 빠져나올 때, 조건을 만족하지 않으면서 not taken으로 상태 변경(miss) -> 이때 outer loop가 실행되어 Inner loop가 다시 실행되면 branch taken으로 다시 상태를 변경해야 함(miss) -> 2번의 연속적인 miss 발생

Branch prediction buffer(2-bit)
- branch prediction이 연속으로 2번 틀려야 상태 변경

1-bit predictor vs. 2-bits predictor

-> 해당 예시에서는 약 25% 정도 차이나는 예측률
Exceptions
Exception
- 프로그램 실행을 방해하는 unscheduled event
- 정의되지 않은 명령어가 실행됐을 때, arithmetic overflow 발생했을 때
Interupt(in MIPS)
- cpu의 외부에서 발생하는 예외
| Type of event | From where | MIPS terminology |
| I/O device request | External | Interrupt |
| user program에서 os 불러오기 | Internal | Exception |
| Arithmetic overflow | Internal | Exception |
| Using an undefined instruction | Internal | Exception |
| Hardware malfunctons(하드웨어 오작동) | Either (컴파일해주는 알고리즘 문제 -> internal hardare 물리적 손상 -> external) |
Exception or Interrupt |
Handling Exceptions in MIPS
과정
- 문제 발생 명령어의 주소(PC + 4)를 Exception Program Counter(EPC)에 저장 - EPC: 32bits register. 예외처리하고 돌아올 위치를 저장
- exception의 원인을 Cause Register에 저장 - Cause Register: 32bits, 10(undefined instruction)/12(arithmetic overflow)
- Jump to handler

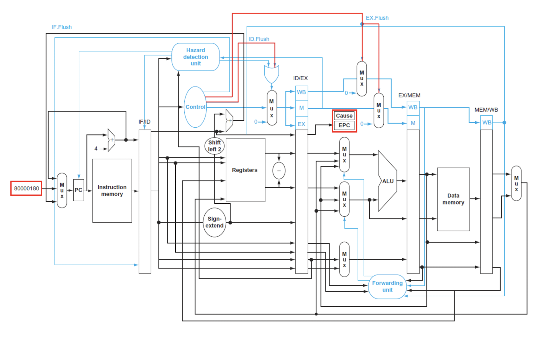
Handling Exceptions in Pipeline

- 위 add instruction이 ex stage에서 overflow를 발생시켰다고 가정
- overflow된 값이 $s1에 저장되는 것을 막는다.
- 이전 명령어까지를 완료
- add instruction부터는 pipeline에서 Flush(비우다) -> EX.Flush
- EPC와 Cause register 설정
- handler(8000 0180)로 jump


-> In clock cycle 6, ex stage에서 add operation하는 과정에서 overflow 발생
-> 8000 0180이 pc에 위치
-> In clock cycle 7, add instruction을 포함한 이후 명령어들은 flushed
-> exception code의 첫 번째 명령어 fetched
-> 문제 발생 다음 명령어 (50)는 EPC에 저장
참고자료
[컴퓨터구조] MIPS
MIPS의 개념에 대해 알아보고, MIPS Pipeline과 Hazards에 대해 공부한다.
velog.io
728x90
반응형