| 일 | 월 | 화 | 수 | 목 | 금 | 토 | 
|---|---|---|---|---|---|---|
| 1 | ||||||
| 2 | 3 | 4 | 5 | 6 | 7 | 8 | 
| 9 | 10 | 11 | 12 | 13 | 14 | 15 | 
| 16 | 17 | 18 | 19 | 20 | 21 | 22 | 
| 23 | 24 | 25 | 26 | 27 | 28 | 29 | 
| 30 | 
                            Tags
                            
                        
                          
                          - gpt
 - 지도학습
 - PCA
 - 해커톤
 - supervised learning
 - LG Aimers
 - deep learning
 - 회귀
 - 티스토리챌린지
 - AI
 - 분류
 - Classification
 - OpenAI
 - regression
 - ChatGPT
 - Machine Learning
 - 머신러닝
 - 오블완
 - LLM
 - LG
 - GPT-4
 - 딥러닝
 - LG Aimers 4th
 
                            Archives
                            
                        
                          
                          - Today
 
- Total
 
SYDev
[컴퓨터 구조] Lecture 18: Memory Hierarchy - Part2 본문
경희대학교 김정욱 교수님의 컴퓨터 구조 강의 내용을 기반으로 한 정리글
Misses in Direct-Mapped Cache
Example - 0, 8, 0, 6, 8

- cache memory의 block size = 4 -> modulo 4 연산으로 cache memory에 main memory의 block 매핑
 
0 modulo 4 = 0
6 modulo 4 = 2
8 modulo 4 = 0
0, 8, 0, 6, 8
0 -> miss -> cache memory의 index 0 위치에 memory[0] 데이터 저장
8 -> miss -> cache memory의 index 0 위치(switch)에 memory[8] 데이터 저장
0 -> miss -> cache memory의 index 0 위치(switch)에 memory[0] 데이터 저장
6 -> miss -> cache memory의 index 2 위치에 memory[6] 데이터 저장
8 -> miss -> cache memory의 index 0 위치(switch)에 memory[8] 데이터 저장
-> index 1, 3은 계속 empty -> 비효율적

Associative Cache Memory
Fully associative cache
- main memory의 block은 cache의 어느 location이든 위치할 수 있다. -> cache에 대한 전수탐색 필요
 - cache의 모든 위치에 대해 comparator가 병렬적으로 연산을 수행 -> hardware cost가 매우 늘어남
 

Set associative cache
- 고정된 숫자의 장소에 main memory block 위치시키는 방법
 
N-way set-associative cache
- N개의 block을 하나의 set으로 묶는 방법
 - set number는 (Block number) modulo (Number of sets in the cache)로 결정
 - 교체는 least recently used(LRU) block within the set을 기반으로 결정
 


-> 2-way set associative: 1set 당 2block
-> 4-way set associative: 1set 당 4block
-> 8-way set associative: 1set 당 8block
associativity(자유도)가 커지면
- 이점: miss rate를 감소시킨다.
 - 단점: hit time을 증가시킨다.
 
Misses in associative cache - 0, 8, 0, 6, 8
Fully associative cache

순서대로 cache에 저장
0, 8, 0, 6, 8
0 -> miss -> 0번 block에 Memory[0] 데이터 저장
8 -> miss -> 1번 block에 Memory[8] 데이터 저장
0 -> hit
6 -> miss -> 2번 block에 Memory[6] 데이터 저장
8 -> hit
2-way set associative cache

main memory block 개수 3개, 하나의 set 당 2개의 block 매핑 -> 총 set 개수는 2개
0 modulo 2 = 0
6 modulo 2 = 0
8 modulo 2 = 0
-> 모두 0번 set에 위치
0, 8, 0, 6, 8
0 -> miss -> 0번 set에 Memory[0] 데이터 저장
8 -> miss -> 0번 set에 Memory[8] 데이터 저장 -> 0번 set에는 2개의 block 정원이 가득 찬 상태
0 -> hit
6 -> miss -> 0번 set에 Memory[6] 데이터 저장(switch with Memory[8]) -> LRU에 의해 Memory[8]은 삭제
8 -> miss -> 0번 set에 Memory[8] 데이터 저장(switch with Memory[0]) -> LRU에 의해 Memory[0]은 삭제
4-way set associative cache

자유도(associativity)가 증가할수록 miss rate는 낮아진다.

Locating a Block in the Cache
- 4-way set associate cache - 4개의 comparator와 4-to-1 mux 필요
 

Choosing Which block to Replace
Fully associative cache
- 모든 block이 교체 후보
 
Set-associative cache
- 선택된 set에 포함된 blocks 중에서선택
 - Least recently used(LRU) - 가장 오래 사용되지 않은 block이 교체된다.
 
Direct-mapped cache
- 요청된 block이 저장될 위치의 Block이 교체된다.
 
Discussions(Size of Tags vs. Tag associativity)

1. Direct-mapped cache
- total number of sets = 4096
 - cache index = 4096 -> cache index bit = 12
 - total number of tag bits for caches = (32 - cache index bit - block offset bit - offset bit) * total number of sets = (32 - 12 - 2 - 2) * 4096 = 16 * 4096 = 2^4 * 2^12 = 2^16 = 66K tag bits
 
2. 2-way set associative
- total number of sets = 4096 / 2 = 2^11
 - total number of tag bits for caches = 개별 tag bit * N(= 2) * total number of sets = (32 - 11 - 2 - 2) * N * total number of sets = 17 * 2 * 2048 = 70K tag bits
 
3. 4-way set associative
- total number of sets = 4096 / 4 = 1024
 - total number of tag bits for caches = 개별 tag bit * N(set 당 data 개수) * total number of sets = (28 - 10) * 4 * 1024 = 74K tag bits
 
4. Fully associative
- total number of sets = 4096 / 4096 = 1
 - total number of tag bits for caches = (28 - 0) * 4096 * 1 = 115K tag bits
 
Multilevel Caches
- 대부분의 CPU는 추가적 단계의 caching 사용
 - primary cache -> second level cache 접근 시간 <<< main memory 접근 시간
 - primary & secondary cache에 모두에 원하는 데이터가 없을 시 -> 더 큰 miss penalty 발생
 

Performance of Multilevel cache (Example)
- Proccesor with a base CPI(Clock per Instruction): 1.0 (primary cache로의 참조가 모두 hit일 경우)
 - Clock rate:4GHz (0.25 ns/clock cycle)
 - Miss rate per instruction: 2%
 - Main memory access time: 100 ns (all miss handling 포함)
 - A secondary cache access time: 5 ns
 


- secondary cache에서 main memory로의 miss rate = 0.5%
 - Effective cpi? cpi와 유사하나 좀 더 실제적인 성능 평가가 반영됨
 

-> secondary cache를 사용하는 cpu가 9.0 / 3.4 = 2.6배 만큼 빠르다.
Virtual Memory
- 메인 메모리를 Hard disk의 cache로서 사용하는 기법
 - CPU hardware, OS에 의해서 관리됨
 - 메인 메모리의 용량을 증가시키는 목적
 - CPU에서 main memory에 모든 정보가 있다고 생각하게 만드는 기술(but, 추가적인 정보는 hard disk에) -> not memory (실제로 존재 X)
 
Cache memory vs. Virtual Memory
| Virtual Memory | Cache Memory | 
| main memory의 용량을 증가 | CPU 접근 속도를 향상 | 
| technique(not a memory unit) | memory unit | 
| size: Virtual Memory > Cache Memory | |
| main memory의 크기보다 큰 프로그램이 실행됨 | cache에는 최근에 사용된 데이터가 복사됨 | 

프로그램들은 main memory를 공유 가능
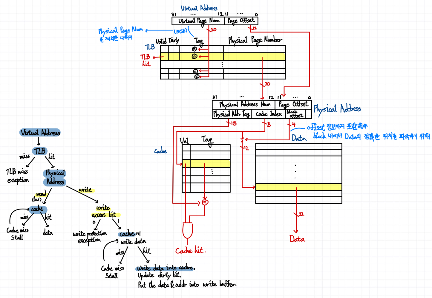
- Virtual address: virtual memory의 주소
 - Physical address: main memory의 주소
 - virtual address는 physical address로 매핑해야 한다. -> CPU와 OS에서 수행
 
Address translation(=Address mapping)
- Cache의 block - Virtual memory의 page
 - Cache의 miss - Virtual memory의 page fault
 - 하나의 physical address는 두 개의 virtual addresses에 의해 공유될 수 있음 -> 2개의 프로그램이 같은 데이터를 공유
 


- Virtual Memory: 32bits(2^32 = 4GB), Physical Memory : 30bits(2^30 = 1 GB)
 - Page size: 2^12 = 4096 = 4KB
 - 20bits virtual pages -> 18bits physical pages로 매핑
 

Translation using Page table
Page Table
- lookup table - 주어진 연산에 대해 미리 계산된 결과들의 집합(배열)
 - main memory에 위치함
 - 프로그램마다 각자의 page table이 존재 -> 프로그램의 virtual address space를 메인 메모리로 매핑
 - Page table register (CPU에 존재) -> physical memory의 page table을 가리킴
 
page가 메모리에 존재할 시에
- page table: physival page number + oter status bits(valid, dirty bits, ..) 저장
 
page가 메모리에 존재하지 않을 시(Page fault)
- OS: page를 가져오고(fetching), page table을 갱신(updating)한다.
 - page table은 swap space(on disk)의 위치를 인용 가능하다.
 - swap space: virtual memory를 위해서 disk에서 제공하는 공간
 
page table은 virtual page number로 인덱싱 -> 이에 상응하는 physical address를 얻어야 함


Page Faults
- vliad bit is on(1) -> page table에 virtual page number와 일치하는 physical page number 정보 존재
 - valid bit is off(0) -> page 정보가 disk에만 존재 -> OS가 제어권을 가져야 한다.
 - 모든 페이지가 사용중 -> OS는 LRU에 따라 page 정보를 교체
 
Reference bit(use bit)
- Reference bit 1: 현재 접근되고 있다는 의미 -> OS에 의해 주기적으로 0으로 초기화됨
 - Reference bit 0: 최근에 사용되지 않음
 
Disk에 쓰는 작업은 수백만 사이클이 걸린다.
- Write through(바로 쓰기)는 실용적이지 않음 -> Write back 사용
 - Dirty bit -> 페이지가 쓰여질 때 사용됨
 - wtire through: 업데이트되자마자 메모리에서 Disk로 변경 사항 적용
 - write back: dirty bit 적용해놨다가 교체될 때 한 번에
 
Making Address Translation Fast Using TLB
page table은 main memory에 저장됨
- 프로그램에 의한 모든 메모리 접근은 최소 2배의 시간이 걸릴 수 있음
 - physical address를 얻기 위한 접근
 - 실제 data를 얻기 위한 접근
 
Translation-lookaside buffer(TLB)
- Page table의 Cache 버전
 - page table에 대한 접근을 피하기 위해 -> recently used address mappings를 유지하는 cache
 - Valid bit: 값의 존재 여부
 - Dirty bit: 값의 교체 여부
 - Ref bit: 값의 참조 여부 -> LRU와 연관
 


Handling TLB Miss and Page Faults
TLB miss - main memory에 page가 존재
- 메모리에 있는 값으로 TLB, Cache 업데이트
 
Page Fault - page가 main memory에 존재하지 않을 때 -> os가 page table을 update
- Disk에 있는 값으로 Page Table, TLB, Main Memory, Cache 업데이트
 
- virtual address를 이용 -> page table에서 디스크를 참조하는 page의 location을 탐색 - page table에 있긴 하다. valid가 0일뿐
 - 교체할 physical page를 선택 -> main memory가 가득찼을 것이기 때문에 교체해줘야 함, dirty bit인 경우에 값이 수정된 것이기 때문에 disk에 수정된 값을 우선 저장한다.
 - 선택된 physical page로 디스크로부터 참조된 page를 가져온다.
 - Making instructions restartable -> 가져온 것을 CPU로 전달.
 
저장용량: TLB < Cache < Page Table(main memory로 생각) < Disk
| TLB | Page Table | Cache | Possible | 
| Hit | Hit | Miss | 가능: TLB, Page Table이 hit -> memory에는 있다는 뜻, 참조한 지 오래되어 cache에서는 사라졌을 수 있음. | 
| Miss | Hit | Hit | 가능: 최근에 부르기는 했으나, TLB에 담길 만큼 최근에 부르지는 않았을 경우. TLB보다 Cache의 크기가 더 크다. | 
| Miss | Hit | Miss | 가능: 최근에 불린 적은 없으나, main memory에는 존재 | 
| Miss | Miss | Miss | 가능: tlb에도 없고, cache에도 없고, page table에도 없으면 -> disk에 있다.(page fault) | 
| Hit | Miss | Miss | 불가능: TLB가 hit -> 적어도 cache나 main memory에는 있다는 뜻 | 
| Hit | Miss | Hit | 불가능: TLB가 hit -> 적어도 cache나 main memory에는 있다는 | 
| Miss | Miss | Hit | 불가능: TLB가 hit -> 적어도 cache나 main memory에는 있다는 | 
728x90
    
    
  반응형
    
    
    
  '3학년 1학기 전공 > 컴퓨터 구조' 카테고리의 다른 글
| [컴퓨터 구조] Lecture 19: Memory Hierarchy - Part3 (1) | 2024.06.08 | 
|---|---|
| [컴퓨터 구조] Lecture 17: Memory Hierarchy - Part1 (7) | 2024.06.03 | 
| [컴퓨터 구조] Lecture 16: The Processor - Part5 (0) | 2024.05.31 | 
| [컴퓨터 구조] Lecture 15: The Processor - Part4 (1) | 2024.05.30 | 
| [컴퓨터 구조] Lecture 14: The Processor - Part3 (0) | 2024.05.20 |